1/1
浏览量:
1000
1
产品描述
| 电梯智能覆盖设备 | 电梯智能覆盖设备 |
![]() |
![]() |
概述
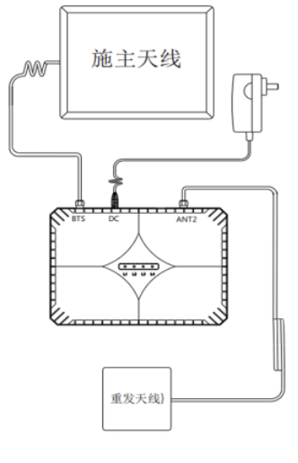
电梯智能覆盖系统”是利用传统模拟放大链路,融合独有的嵌入式数字处理技术,实现在网络应用中做到真正不干扰、不自激的全新产品。
电梯智能覆盖系统是将室外宏站的手机信号通过无线转发的方式引入电梯轿厢内部,设备通过独有增益动态调整、自激自动检测、上行关断等功能,真正做到不干扰网络,并且相比传统电梯覆盖方案,由于无需在电梯井道施工,就有了施工周期短、协调难度低、施工费用低等优点,能够以极快的速度、较低的价格解决移动通讯网络建设中电梯内覆盖的难题。
功能特色
● 突破传统覆盖方式,设备与轿厢随行;
● 实施快速,15分钟解决电梯覆盖;
● 嵌入电梯轿厢吊顶,隐蔽性好;
● 突破传统覆盖方式,实施快速;
● 信号软件高速处理,自适应信号变化;
● 电梯机房施工,方便简单。
相关参数
![]() |
![]() |
上一个
无
下一个
无
联系我们
地址:江西省九江市濂溪区生态工业城安平路1010
电话: +86-792-8376677 +86-792-8326255
+86-792-8326256 +86-792-8326257
+86-792-8326258 4008850792
E-mail:ssdx@ssdx.com.cn jjssdx0566@163.com
关注我们公众号



